
http://blog.163.com/bsgd_hhxy_0919/blog/static/115082689200931585252529/
常用USB转串口芯片介绍
现在笔记本电脑更新速度很快,为了小型化的需求,原来在台式电脑上的标准配置接口例如串口、并口都被逐渐淘汰,取而代之的是USB这种通用小型的总线接口。对于我们电子制作爱好者来说,为了编程、调试的需要,串口并口可还真少不了,特别是串口。许多单片机调试时用串口来下载代码、输出调试信息、显示程序运行状态,缺少了串口的电脑,在调试时就显得十分不方便。为此,厂商开发了专用的USB转串口的转换芯片,用于代替标准的串口,在一定程度上解决了笔记本电脑缺少串口的难题。在此,笔者介绍三种比较常见的USB转串口芯片。
一、PL2303HX
PL2303HX是一款符合USB1.1标准的USB接口异步串行数据总线转换器,包含六个标准调制解调器控制脚(RTS发送请求、CTS清除发送、DTR数据终端准备完毕、DSR数据准备完毕、DCD数据载波检测、RI响铃指示器);它的主要特点为:外置RS-232驱动器电源关闭控制;自动清除发送/发送请求的流控制(CTS/RTS);支持自动XON/XOFF软件流控制;另外,PL2303HX还集成两个综合用途I/O输入/输出脚(GRIO),方便用户使用。
PL2303HX的典型应用如图1所示。

图1 PL2303HX典型应用电路
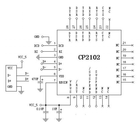
二、CP2102
CP2102是一款单芯片USB转UART数据转换器,符合USB规范2.0全速(12Mbps),内置USB收发器无需外部电阻、片内时钟无需外部振荡器,因此其最重要的特点就是单片集成转换器所需全部电路,可以在不使用任何分立元件情况下独立实现接口转换功能。另外,它支持所有握手和调制解调器接口信号;支持硬件或X-On/X-Off握手;支持事件状态和线路中止条件。
CP2102典型应用电路如图2所示。

图2 CP2102典型应用电路
*注,CP2102有一个引脚在芯片底下,就是图2所示引脚1上面的GND引脚
三、FT8U232BM
FT8U232BM也是一款单芯片USB转UART数据转换器,符合USB规范2.0全速(12Mbps),兼容1.1,内置USB收发器,配合片外6M晶振工作。它提供完整的握手和标准调制解调器接口信号,支持硬件或X-On/X-Off握手,支持事件状态和线路中止条件,支持远程唤醒和电源管理。
FT232BM典型应用电路如图3所示。

图3 FT232BM典型应用电路
在此,笔者对三款常用芯片特点进行了比较,见下表:
型号 | PL2303HX | CP2102 | FT8U232BM |
生产厂家 | Prolific Technology Inc. | Silicon Laboratories Inc. | Future Technology Devices Intl |
封装 | 28引脚SSOP | 28脚MLP | 32引脚MQFP |
协议规范 | USB1.1 | USB2.0全速,兼容1.1 | USB2.0全速,兼容1.1 |
波特率 | 75bps~6Mbps | 300bps到1Mbps | TTL(300bps~3Mbps) 232(300bps~1Mbps) 485(300bps~3Mbps) |
数据位 | 5、6,、7或8数据位 | 5、6,、7或8数据位 | 7、8数据位 |
停止位 | 1、1.5、或2停止位 | 1、1.5、或2停止位 | 1或2停止位 |
校验 | 奇校验偶校验无校验 | 奇校验偶校验无校验 | 奇校验偶校验无校验 |
收发缓存 | 可配置的512byte双向数据缓冲器 | 576byte接收缓冲器 640byte发送缓冲器 | 384byte接收缓冲器128byte发送缓冲器 |
工作电压 | I/O工作电压(VDD_325):1.65至3.6V USB总线供电:4.75V至5.25V | I/O电压:3.0V至5.25V USB总线供电:4.0V至5.25V | I/O电压:3.0V至5.25V USB总线供电:4.35V至5.25V |
晶振 | 12MHz | 内置 | 6MHz |
其他特点 | 可选择外置EEPROM电可擦除只读存储器以更改客户ID | 集成的1024字节EEPROM用于为供应商代码、产品代码、序列号、功率标牌、版本号和产品描述等数据提供存储空间 | 支持外扩EEPROM用于存储产品VID、PID、设备序列号以及产品描述等信息 |
<>
从许多使用者的使用情况来看,有以下特点:(1)PL2303HX最便宜,但性能相对于其他两种来说稍差,焊接芯片需要一定的功底才行;(2)CP2102性能价钱介于两者之间,电路最简单,可实现单片独立工作而无须外部元件,但焊接最不容易;(3)FT8U232BM的价钱最贵,但性能最稳定,并且驱动支持最好,焊接起来相对也比较容易。当然,具体需要哪种USB转串口芯片,还是请读者根据自己的情况进行选择。


相关文章本文地址:https://www.xxnet.eu.org/?post=159
版权声明:若无注明,本文皆为“点滴记忆---观雨亭”原创,转载请保留文章出处。






